DigiPower 2x250T/02

- LED indicators for signal and operating conditions
- Monitoring contacts for battery
- Monitoring contacts for the output amplifier
- 2 channels in a 19-inch, 2 units of height case
- Low installation depth of only 272 mm
- All feed lines with plug-in, screw terminals
- Balanced Inputs
- Automatic standby mode
- Protection against open circuit, short circuit, over temperature, DC
- 230 VAC and 24 VDC power supply
- Switching on delay

100 V digital amplifier - durable and safe for professional ELA installations. The very reliable electronics design ensures transmission performance without compromise and a trouble-free operation for years. Hardly waste heat, over 90 % efficiency thanks to digital signal processing and a maintenance-free cooling system without fans are further features.
- Maintenance-free cooling system without a fan
- Digital signal processing
- Only 272 mm installation depth
- Only 10 W power consumption in standby mode
- Low power consumption in emergency mode
Level controls for each channel located on the back. Display of all operating conditions by LEDs.
The cooling system operates without a fan, so
- no pollution
- no consequential costs
- no moving parts
- no interference noise
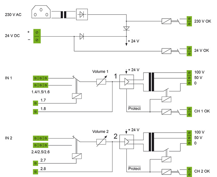
Inputs and Outputs
| INPUTS: | 24 VDC voltage supply |
| 230 VAC voltage supply | |
| 2 x analog audio inputs | |
| 2 x control inputs | |
| 2 x pilot tone audio inputs | |
| OUTPUTS: | 2 x 100 V/50 V power outputs |
| 4 x status signal contacts | |
| 230 V................closed when ok | |
| 24 V..................closed when ok | |
| CH 1...............closed when ok | |
| CH 2...............closed when ok |
Block diagram

Specifications
![]() |
|
| TYPE | 2x250T |
| Output Power | 2 x 250 W bzw. 1 x 500 W |
| THD + N | < 0,29 % |
| Input sensitivity | 1V eff |
| Input Impedance | 10 kOhm |
| Signal-to-Noise Ratio @ 1 kHz, 250 W, Vol 0.5 | 85 dB |
| Output transformer | 2 x 50 V / 100 V |
| Current consumption 230 VAC sinus 100 V @ 40 Ohms | 4 A |
| Current consumption 24 VDC sinus 100 V @ 40 Ohms | 26 A |
| Current consumption Standby 230 VAC | 0.058 A |
| Current consumption Standby 24VDC | 0.43A |
| Power consumption in standby mode (230V) | 13 W |
| Power consumption at full load (230V) | 920 W |
| Inputs | symmetrical on screw terminal |
| Supply voltage | 230 VAC / 24 VDC |
| Operating temperature | -5° C bis +40° C |
| Protection circuits | DC, short circuit, resonance, over temperature |
| Frequency response | 90 Hz ÷ 21 kHz / -3 dB |
| Dimensions | 482 mm x 88 mm x 272 mm (B x H x T), 19 / 2U |
| Weight | 16.5 kg |
No responsibility is taken for the correctness of this information - Specifications subject to change.
