AVC-MONITORING
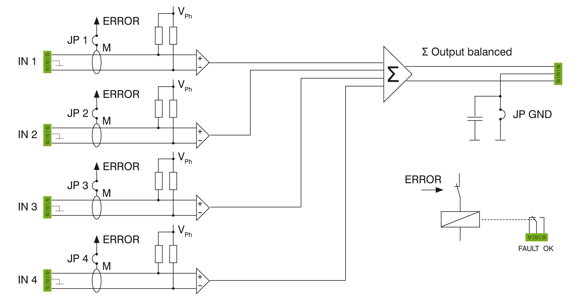
ITEC AVC Monitoring ist ein Modul zur Überwachung von bis zu vier Mikrofonleitungen (speziell konzipiert für die Verwendung mit dem ITEC AVC-Mic). Neben der Überwachung der Mikrofonleitungen (auf Kurzschluss und Unterbrechung) ist auch die Summenbildung von bis zu vier Mikrofonsignalen möglich, sodass zum Beispiel als Maß für die Lautstärkeregelung die Summe aus vier räumlich verteilten Mikrofonen herangezogen werden kann.
- Openframe Modul zum Einbau in den Systemschrank
- Einfache Montage, vorbereitet für Schnappschiene 35 mm
- Alle Anschlüsse an Steckreihenklemmen
- Sammelstörmeldung an Relais Umschaltkontakt (Fault / OK)
- Geeignet sowohl für Mikrofonpegel als auch Linepegel
- Überwachung / Summierung von bis zu vier Mikrofonen
- Versorgt die angeschlossenen Mikrofone mit Pantomspannung 12V
- Ausschluss nicht aktiver Linien per Jumper
Blockschaltbild

Technische Daten
![]() |
|
| SPANNUNGSVERSORGUNG | 24VDC |
| STROMAUFNAHME | ca. 100 mA |
| SPANNUNGSVERSORGUNG DER MIKROFONE | 12VDC (galvanisch getrennt von Versorgung) |
| ÜBERWACHUNG JE LINIE | Unterbrechung, Kurzschluss, Masseschluss |
| RELAISKONTAKT | max. 48 Volt/500 mA |
| BETRIEBSTEMPERATUR | -5°C - +40°C |
| BAUFORM | Openframe Modul für Schaltschrankeinbau |
| ABMESSUNGEN | 75 x 70 x 40 mm (Höhe x Breite x Tiefe) |
| GEWICHT | ca. 110 g |
| MONTAGE | Schnappschiene 35 mm |
|
|
Alle Angaben ohne Gewähr. Technische Änderungen vorbehalten.
