DigiPower 2x250T/02

- Kontroll- LEDs für alle Signal und Betriebszustände
- Überwachungskontakte für Batterie
- Überwachungskontakte für die Endstufe
- 2 Kanal im 2 HE 19 Zoll Gehäuse
- geringe Einbautiefe nur 272 mm
- alle Zuleitungen mit Steck-, Schraubklemmen
- symmetrische Eingänge
- automatischer Standby Betrieb
- Schutzschaltungen gegen Leerlauf, Kurzschluss, Übertemperatur, DC
- 230 V Netz und 24 VDC Spannungsversorgung
- Einschaltverzögerung

Digitaler 100 V Verstärker langlebig und sicher für professionelle ELA Anlagen. Ein sehr zuverlässiges Elektronikdesign garantiert eine kompromisslose Übertragungsqualität und einen langjährigen störungsfreien Betrieb. Kaum Abwärme, über 90 % Wirkungsgrad dank digitaler Signalverarbeitung.
- wartungsfreies Kühlsystem ohne Lüfter
- Überwachungskontakte
- nur 272 mm Einbautiefe
- nur 10 W im Standby Betrieb
- geringe Stromverbrauch im Notbetrieb
Levelregler für jeden Kanal an der Rückseite. Anzeige aller Betriebszustände durch LEDs.
Das Kühlsystem arbeitet ohne Lüfter, also
- keine Verschmutzung
- keine Folgekosten
- keine beweglichen Teile
- keine Störgeräusche
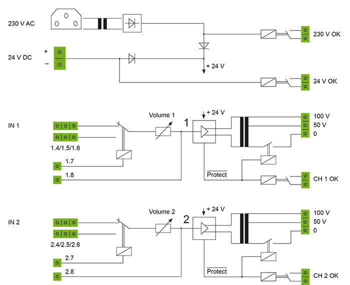
Ein- und Ausgänge
| EINGÄNGE: | 24 VDC Spannungsversorgung |
| 230 VAC Spannungsversorgung | |
| 2 x analoge Audio Eingänge | |
| 2 x Kontrolleingänge | |
| 2 x Pilotton-Audio Eingänge | |
| AUSGÄNGE: | 2 x 100 V/50 V Leistungsausgänge |
| 4 x Statusmeldekontakte | |
| 230 V................geschlossen wenn ok | |
| 24 V..................geschlossen wenn ok | |
| CH 1...............geschlossen wenn ok | |
| CH 2...............geschlossen wenn ok |
Blockschaltbild

Technische Daten
![]() |
|
| TYPE | 2x250T |
| Ausgangsleistung | 2 x 250 W bzw. 1 x 500 W |
| THD + N | < 0,29 % |
| Eingangsempfindlichkeit | 1 V eff |
| Eingangsimpedanz | 10 kOhm |
| Fremdspannungsabstand 250 W 1 kHz | 85 dB |
| Ausgangsübertrager | 2 x 50 V / 100 V |
| Stromaufnahme 230 VAC sinus 100 V @ 40 Ohms | 4 A |
| Stromaufnahme 24 VDC sinus 100 V @ 40 Ohms | 26 A |
| Stromaufnahme Standby 230 VAC | 0,058 A |
| Stromaufnahme Standby 24 VDC | 0,43 A |
| Leistungsbedarf Standby Modus (230 VAC) | 13 W |
| Leistungsbedarf Vollast (230 VAC) | 920 W |
| Eingänge | symmetrisch an Steck-/Schraubklemme |
| Spannungsversorgung | 230 VAC / 24 VDC |
| Betriebstemperatur | -5° C bis +40° C |
| Schutzschaltungen | DC, Kurzschluss, Schwingen, Übertemperatur |
| Frequenzgang | 90 Hz ÷ 21 kHz / -3 dB |
| Abmessungen | 482 mm x 88 mm x 272 mm (B x H x T), 19" / 2 HE |
| Gewicht | 16,5 kg |
Alle Angaben ohne Gewähr. Technische Änderungen vorbehalten.
