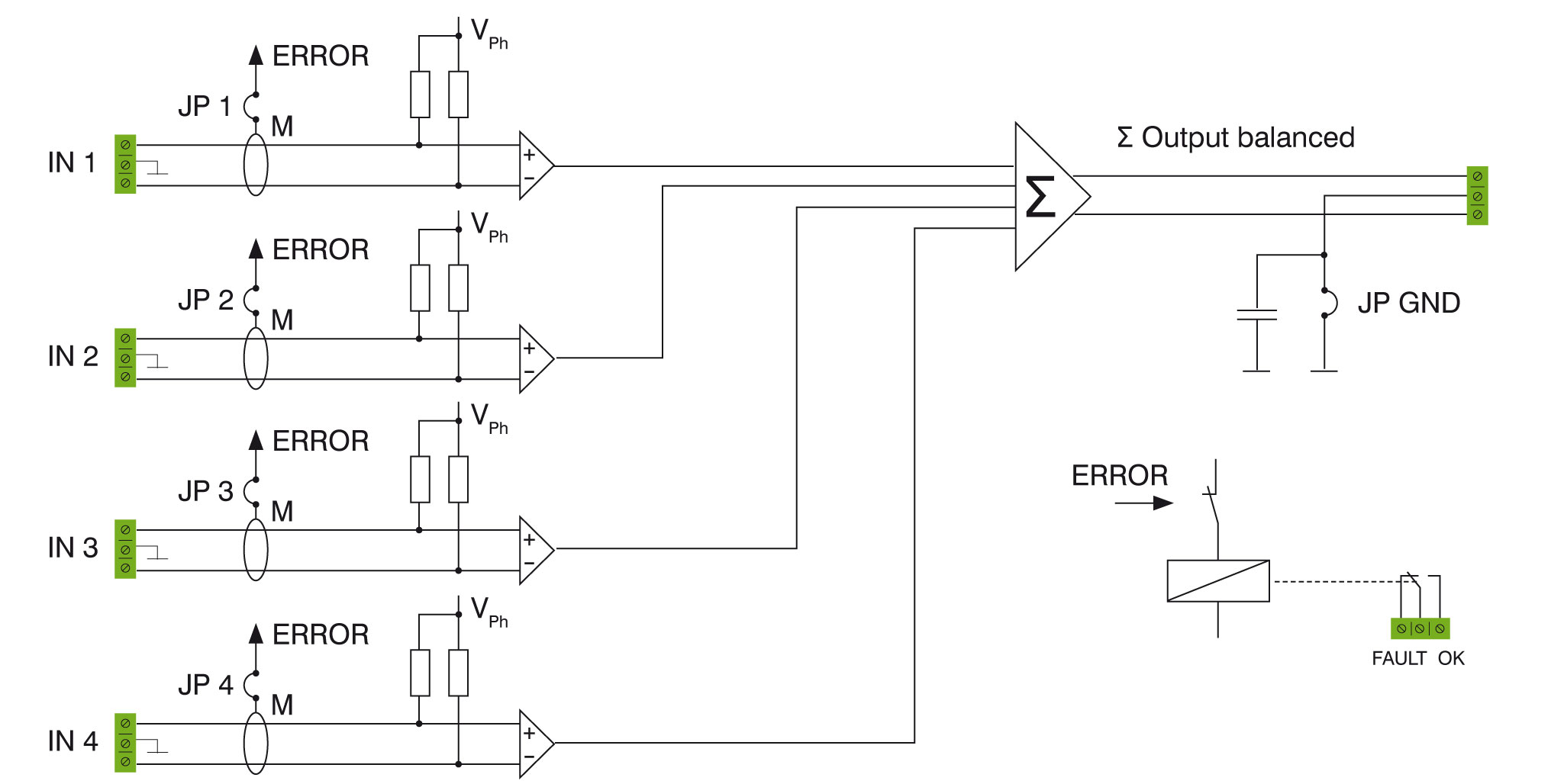
AVC-MONITORING
ITEC AVC-Monitoring is a module for the monitoring of up to four microphone lines (specially designed for the use with the ITEC AVC-Mic). Besides of the monitoring of microphone cables (for short circuit and open circuit), the summation of up to four microphone signals is possible. The summary of up to 4 microphones distributed over an area will then become the result for the ambient noise.
- Open Frame
- odule for installation in the system cabinet
- Easy installation, prepared for DIN-rail 35 mm
- All connections on plug terminal blocks
- Collective fault relay contact (fault / OK)
- Suitable for both mic level and line level
- Monitoring / summing up to four microphones
- Provides the connected microphones with phantom voltage 12V
- Exclusion of non-active lines by jumpers
Block diagram

Specifications
![]() |
|
| POWER SUPPLY | 24VDC |
| CURRENT | ca. 100 mA |
| POWER SUPPLY MICROPHONES | 12VDC (galvanically isolated from power supply) |
| MONITORING PER LINE | open, short, short to ground |
| RELAY CONTACT | max. 48 Volt/500 mA |
| OPERATING TEMPERATURE | -5°C - +40°C |
| DESIGN | Open Frame module for cabinet installation |
| DIMENSIONS | 75 x 70 x 40 mm (height x width x depth) |
| WEIGHT | 0,1 kg |
| MOUNTING | DIN-rail 35 mm |
|
|
All information without guarantee. Subject to technical changes.
