DigiPower 4x500T_D
Digital Power Amplifier for professional PA/VA Applications

- 230 VAC and 24 VDC power supply with automatic switching
- Separate power supply per amplifier channel
- Automatic standby mode
- Control LEDs for all signal and operating contitions
- Monitoring contacts for power amplifi er, AC and DC supply
- 100 V direct outputs
- Balanced inputs
- 4 channels in 2U/19“ housing
- Installation depth 322 mm
- All connections with plug-in terminals
- Protection circuits: Automatic shutdown in the event of overtemperature, overload and hort circuit of the speaker lines

Four-channel digital power amplifier with 4x500W nominal power for professional electroacoustic voice alarm systems.
The electronic protective circuits ensure the necessary safety of the amplifi er. In case of a power failure automatically switched to emergency power operation (battery 24V).
A very reliable electronics design guarantees uncompromising transmission quality and long-term trouble-free operation. Thanks to digital signal processing, up to 90% efficiency and hardly any waste heat.
- Temperature dependent fan control
- Monitoring contacts for all channels
- Digital amplifier design
- Installation depth of 322 mm
- Level control for each channel on the back
- All operating states are indicated by LEDs

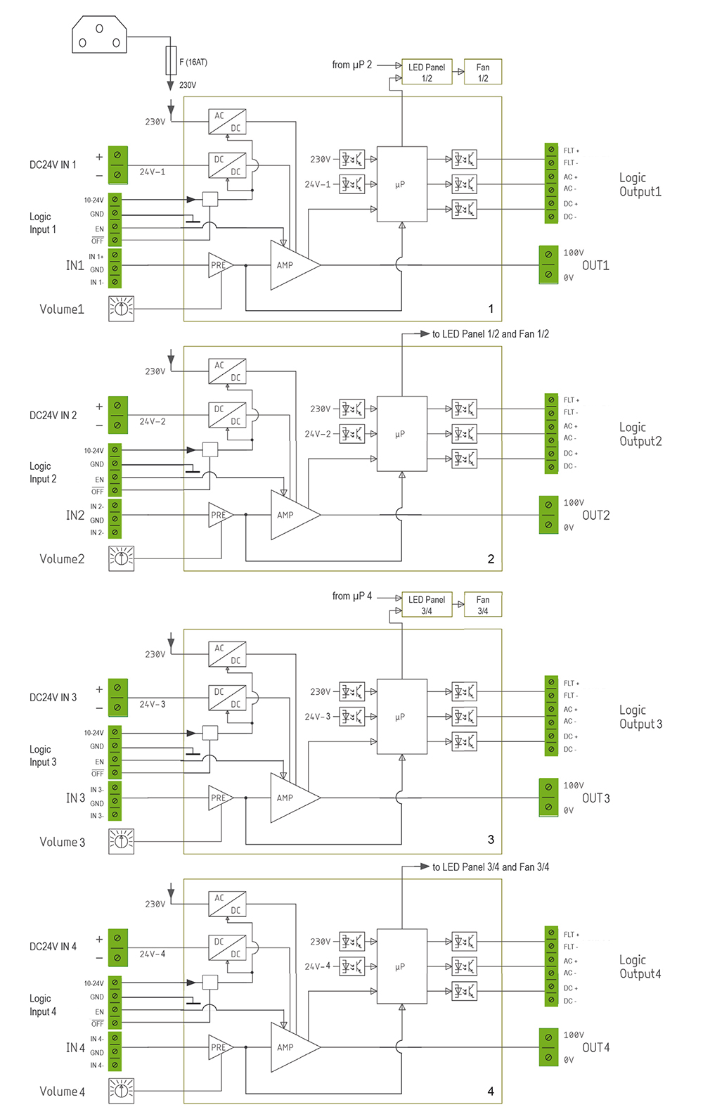
Block diagram

Specifications
![]() |
|||
| Min. | Typ. | Max. | |
| Power supply AC | 85 VAC |
230 VAC | 265 VAC |
| Current consumption 230 VAC (OUT: 2x Sinus 100 V, 1kHz @ 20 Ohm) | 11 A | ||
| Current requirement 230 VAC (OUT: 2x Sinus 100 V, 1kHz @ 20 Ohm) | 2500 W | ||
| Power supply DC | 21 VDC | 24 VDC | 27.6 VDC |
| Current consumption 24 VDC (OUT: 2x Sinus 100 V, 1kHz @ 20 Ohm) | 4 x 26A | ||
| Current requirement 24 VDC (OUT: 2x Sinus 100 V, 1kHz @ 20 Ohm) | 4 x 625 W | ||
| Current requirement Standby @ 230 VAC | 28 W | ||
| Current requirement Standby @ 24 VDC | 4 x 7 W | ||
| Current requirement Off | 0.1 W | ||
| Output power (RMS, 20 Ohm, 100 V) @ 230 VAC | 4 x 500 W | ||
| Output power (RMS, 20 Ohm, 100 V) @ 24 VDC | 4 x 500 W | ||
| THD + N (20 Hz – 20 kHz, 100 mW – 100 W, 100 Ohm) | 0.1 % | ||
| External voltage distance (A-weighted) | 102 dB | ||
| Input resistance (each channel) | 10 kOhm | ||
| Frequency response (-3 dB) | 10 Hz | - | 30 kHz |
| Voltage gain | 42.2 dB | ||
| Maximum output voltage | 105 VRMS | ||
| GENERAL TECHNICAL DATA |
|||
| Dimensions (WxHxD) | 483 mm x 88 mm x 322 mm | ||
| Weight | 6.1 kg | ||
All Informations without garantee. Subject to technical changes.
