DigiPower 4x150T_D

- 230 VAC and 24 VDC power supply with automatic switching
- Automatic standby mode (selectable via DIP switch)
- Control LEDs for all signal and operating contitions
- Monitoring contacts for AC and DC supply and power stage status
- 4 channels in 1U / 19" housing
- 4x150W, 100V direct outputs
- Balanced inputs
- Installation depth 322 mm
- All connections with plug-in terminals
- Protection circuits: automatic shutdown in case of overtemperature, overload and short circuit of the speaker lines
- 2 temperature controlled fans

Four-channel digital power amplifier with 4x150W nominal power for professional, electro-acoustic voice alarm systems.The electronic protection circuits ensure the necessary safety of the amplifier. In case of a power failure the amplifier automatically switches to emergency power mode (external battery 24V). A very reliable electronic design guarantees uncompromising transmission quality and long-term, trouble-free operation. Digital power amplifiers with a direct output, without a transformer, off er high efficiency with low weight, smaller size and comparatively less waste heat.
• Digital power amplifiers with 100V direct output
• Level control for each channel (step switch for exact reproducibility)
• Display of all operating states by LEDs
• Serial RS485 interface (on/off per channel, individual error messages)
• Temperature-depending fan control
• Monitoring contacts for AC and DC supply
• Potentional free collective fault message
• Only 322 mm installation depth

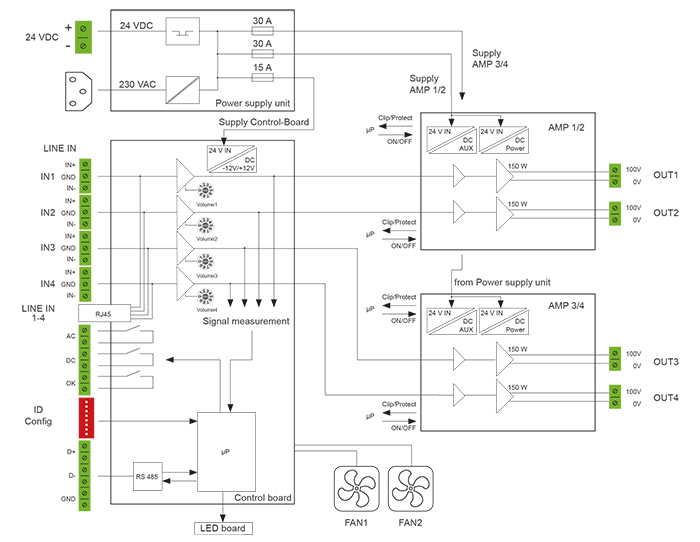
Block diagram



Specifications
![]() |
|||
| Min. | Typ. | Max. | |
| Power supply AC | 90 VAC |
230 VAC | 265 VAC |
| Current consumption 230 VAC (OUT: 4x Sinus 100 V, 1kHz @ 68 Ohm) | 3.2 A | ||
| Current requirement 230 VAC (OUT: 4x Sinus 100 V, 1kHz @ 68 Ohm) | 705 W | ||
| Power supply DC | 20 VDC | 24 VDC | 28 VDC |
| Current consumption 24 VDC (OUT: 4x Sinus 100 V, 1kHz @ 68 Ohm) | 28 A | ||
| Current requirement 24 VDC (OUT: 4x Sinus 100 V, 1kHz @ 68 Ohm) | 670 W | ||
| Power requirement Standby @ 230 VAC | 38 W | ||
| Power requirement Standby @ 24 VDC | 30 W | ||
| Power requirement Off @ 230 VAC | 7 W | ||
| Power requirement Off @ 24 VDC | 2.4 W | ||
| Output power (RMS, 68 Ohm, 100 V) @ 230 VAC | 38 W | ||
| Output power (RMS, 68 Ohm, 100 V) @ 24 VDC | 30 W | ||
| THD + N | 0.1 % | ||
| External voltage distance (A-weighted) | 102 dB | ||
| Input resistance (each channel) | 10 kOhm | ||
| Frequency response (-3 dB) | 20 Hz | - | 30 kHz |
| Voltage gain | 22.6 dB | 42.2 dB | |
| Maximum output voltage | 105 VRMS | ||
| GENERAL TECHNICAL DATA |
|||
| Dimensions (WxHxD) | 483 mm x 44 mm x 322 mm | ||
| Weight | 5,2 kg | ||
All Information without garantee. Subject to technical changes.
